

D蜗杆减速器适用范围
WD蜗轮减速机该标准为一级传动的阿基米德圆柱蜗杆减速器;WS(蜗杆上置)WD(蜗杆下置)。(蜗阿基米德圆柱蜗杆减速器适用于蜗杆啮合处滑动速度不大于7.5m/s;蜗杆速度不超过1500r/min;工作环境温度为-40~+40℃;并可正、反方向运转的场合。
WD蜗杆减速器型号标记
型号标记

圆柱蜗杆减速器的标记包括:型号、中心距、传动比、装配型式
标记示例:
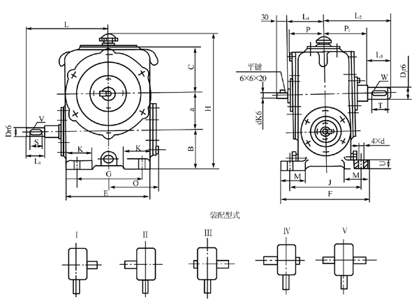
型号 | a | B | C | D | D1 | E | F | G | H | J | K | L | L1 | L2 | L3 | L4 |
WD80 | 80 | 90 | 105 | 20 | 35 | 190 | 200 | 150 | 305 | 160 | 60 | 190 | 50 | 158 | 58 | 90 |
WD100 | 100 | 110 | 135 | 25 | 40 | 240 | 210 | 180 | 375 | 170 | 70 | 225 | 60 | 182 | 82 | 100 |
WD120 | 120 | 120 | 150 | 30 | 45 | 270 | 220 | 200 | 420 | 180 | 80 | 275 | 80 | 197 | 82 | 110 |
型号 | M | O | P | P1 | S | T | U | V(b×h) | W(b×h) | d | 转动惯量kg·m2 | 质量kg |
WD80 | 60 | 120 | 83.5 | 100 | 40 | 50 | 20 | 6×6 | 10×8 | 18 | 0.265×10~3 | 36.5~38.5 |
WD100 | 70 | 145 | 90 | 100 | 40 | 60 | 20 | 8×7 | 12×8 | 18 | 0.84×10~3 | 53~65 |
WD120 | 80 | 165 | 102 | 115 | 50 | 60 | 20 | 8×7 | 14×9 | 18 | 1.79×10~3 | 75.4~81.7 |
WD型圆柱蜗杆减速器(150~360)安装尺寸